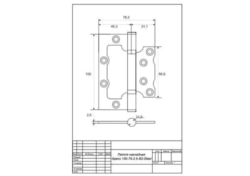
Պողպատից պատրաստված Apecs ունիվերսալ ծխնիները վրադիր են: Նախատեսված են միջսենյակային փայտե դռների համար: Ապրանքատեսակը փորձված է, և ունի սերտիֆիկատ համաձայն՝ ԳՕՍՏ 5088-2005-ի: Համալրված է ճոճման առանցքակալներով, որոնք ապահովում են ծխնիների սահուն աշխատանքը: Ծխնիները տեղադրվում են էլեկտրական գործիքներով: Դռան առավելագույն քաշը՝ երկու ծխնիների համար - 30կգ:
Ծխնի վրադիր Apecs 100x75x2.5-B2-Steel-AB 00018042
- Արտադրող Apecs
- Մոդել 18042
- Առկայություն Առկա է
-
1080֏
- Առանց ԱԱՀ 1080֏


