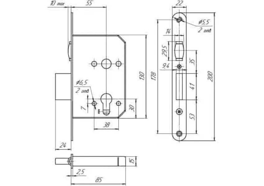
Գլանային մեխանիզմով համալրված փականը տեղադրվում է դեպի աջ և դեպի ձախ բացվող մուտքի դռներին։ Փականն ունի գլանիկավոր սողնակ։ Փաթեթում ներառված են 2 հատ ներդիրներ։
Փական մուտքի դռան միջուկի տեղով МЕТТЭМ 3B5 501.0.0 00011829
- Արտադրող TOTAL
- Մոդել 11829
- Առկայություն Առկա է
-
6615֏
- Առանց ԱԱՀ 6615֏


