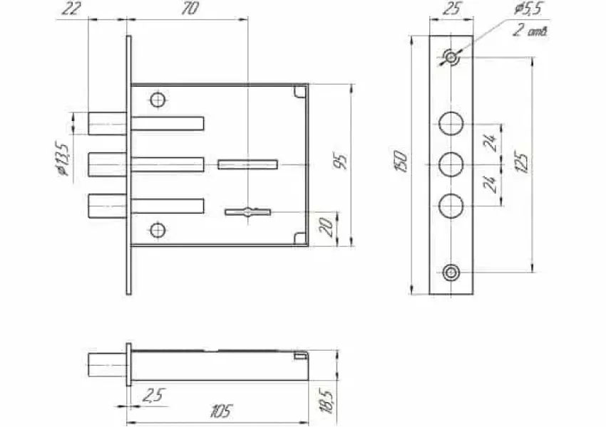
6-սուվալդային փականը տեղադրվում է դեպի աջ և դեպի ձախ բացվող մուտքի դռներին։ Փականը չունի սողնակ։ Փաթեթում ներառված են 2 հատ ներդիրներ և 3 հատ բանալի։
Փական մուտքի դռան սուվալդային МЕТТЭМ 3B8 802.0.0 00010264
- Արտադրող TOTAL
- Մոդել 10264
- Առկայություն
-
6561֏
- Առանց ԱԱՀ 6561֏


