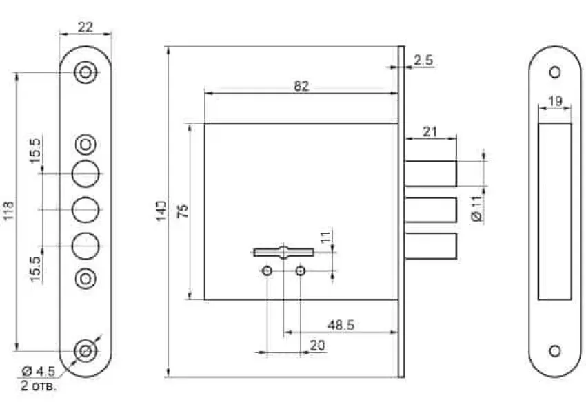
Փականը նախատեսված է միջսենյակային և մուտքի դռների համար: Ունիվերսալ լինելու շնորհիվ կարող է տեղադրվել թե՛ աջ և թե՛ ձախ կողմից բացվող դռների վրա: Փակվում է մեկ կողմից: Հավաքածուի մեջ առկա են երեք բանալիներ և երեք գլանային սողնակներ, որոնց տրամագիծը կազմում է 11մմ:
Փական մուտքի դռան սուվալդային BORDER 76300-3B8-8У/13(КЛП5-85)Ш3 У2 00019932
- Արտադրող BORDER
- Մոդել 19932
- Առկայություն
-
5670֏
- Առանց ԱԱՀ 5670֏


