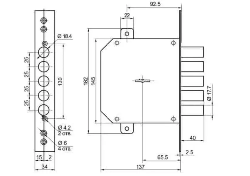
Տարբեր շինությունների՝ դեպի աջ բացման ուղղությամբ մուտքի դռներին տեղադրելու համար նախատեսված փականը համալրված է սուվալդային գաղտնիության մեխանիզմով։ Փականը պաշտպանված է ագռավուկներից, հորատումից և պտտումից։ Մեխանիզմն օժտված է հակակոռոզիոն հատկություններով։ Փաթեթում առկա է 5 հատ բանալի։

Կարծիք հայտնել

Զգուշացում։ HTML նշումը չի ապահովվում: Կիրառեք սովորական տեքստ։
    Վատ           Լավ

Փական մուտքի դռան սուվալդային BORDER 72201-3B8-6КП5Т/15 (КЛП6-102) ЛП3.Б.9 00015899

  • Արտադրող BORDER
  • Մոդել 15899
  • Առկայություն Առկա է
  • 13230֏

  • Առանց ԱԱՀ 13230֏